Bac de récupération avec support de sol - 410 x 1250 mm
Deux produits en un. Support de sol avec bac de récupération des eaux de condensation intégré.
Fabrication en acier zingué, de bonne facture ce bac donnera une touche professionnelle avec une utilité non négligeable, collecter les condensats ( évitant les taches disgracieuses sur le sol, carrelage etc ...)
Chaque pied est réglable individuellement ce qui permet une mise à niveau simple du groupe extérieur.
Son bac de récupération des condensats permet de les canaliser par une pipette en diamètre 16 mm.
Réalisé en acier zingué avec peinture polyester spécial extérieure. Bonne stabilité avec ses pieds anti-dérapant. Amortisseurs pour le groupe fournis ( Gris foncé : amortisseurs durs côté moteur / Gris clair : amortisseurs plus souples )
L'espace sous le bac ( de 7 à 12 cm ) permet de pouvoir nettoyer avec aisance.
Ce bac est durable dans le temps.
Descriptif technique :
- Marque: TECHNOSYSTEMI
- Référence fournisseur : SCD5000122
- Capacité de charge (Kg): 200
- Hauteur sous bac réglable: de 7 à 12,5cm
- Origine: IT
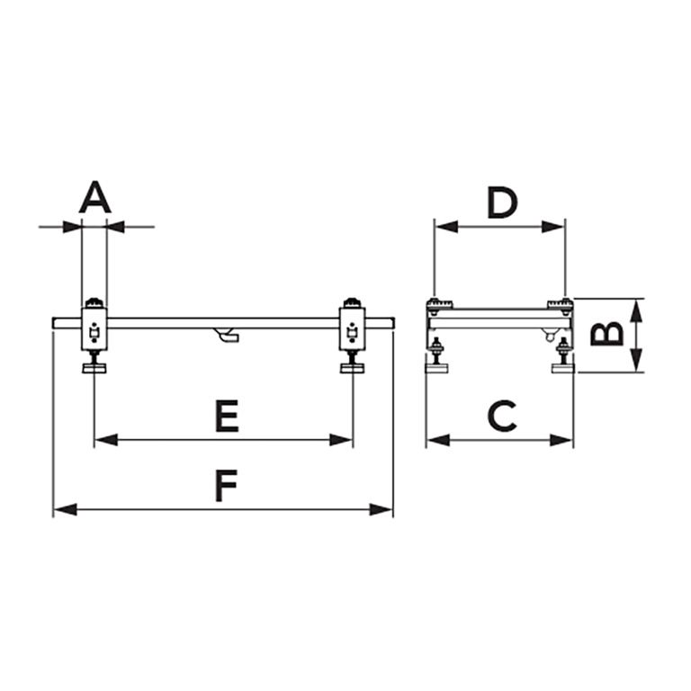
Dimensions :

A = 60 mm
B = 130 à 170 mm
C = 410 mm
D = 230 à 360 mm
E = 400 à 1190 mm
F = 1250 mm
Hauteur sous bac réglable de 7 à 12 cm
Utilisation :
Pour l'installation des groupes de climatisation, pompe à chaleur. Donne une touche pro à votre installation.
Les + de ce produit :
Produit très bien fini et de très bonne qualité. Le réglage indépendant de chaque pied permet de rattraper le niveau dans n'importe quelle situation.
Le bac, collecte et canalise les condensats évitant les taches disgracieuses sur le sol. ( 7 à 12 cm d'espace sous le bac pour pouvoir nettoyer facilement )
Montage facile, vis et amortisseurs fournis. Il peut être installé même sur un groupe déjà posé.
Contenu de l'emballage :
1x Bac + 4 x Silent blocs de sol + 4x Silent blocs pour le groupe + 1x Pipette de sortie en 16mm + Visserie. Livré en carton individuel.
INFO : la taille de ce colis n'est pas pris en charge par Mondial Relay, aussi ce mode de livraison ne vous sera pas proposé en fin de commande
Conseils du PRO
Vérifier la taille afin que le bac puisse récolter la condensation des vannes.
Peut-on l'utiliser avec toutes les marques de climatiseur ?
Oui tout à fait. Les réglages sont modifiables sur la profondeur et la largeur du support.
Peut-on l'installer lorsque le groupe est déjà en place ?
Oui bien sûr, caler le moteur, monter le support en prédisposant les traverses à la bonne mesure et le tour est joué !







